Original Catalogs
Accumulators
Disks
Tires
Autochemistry
Oils
Accessories
Car light
Aftermarket
Maintenance parts
7zap
/
Catalog Skoda
/
Skoda Sk.105/20/30/35/36/garde Parts catalog
/
Cylinder head 04.87 - 12.89
/
7zap
/
Skoda
/
...
/
Cylinder head 04.87 - 12.89
/
Cylinder head 04.87 - 12.89 - Skoda Sk.105/20/30/35/36/garde (Europe)
Brand:
Skoda
Model:
Sk.105/20/30/35/36/garde
Years:
1976 - 1989
Region:
Europe
Skoda
Sk.105/20/30/35/36/garde
1976 - 1989
Europe
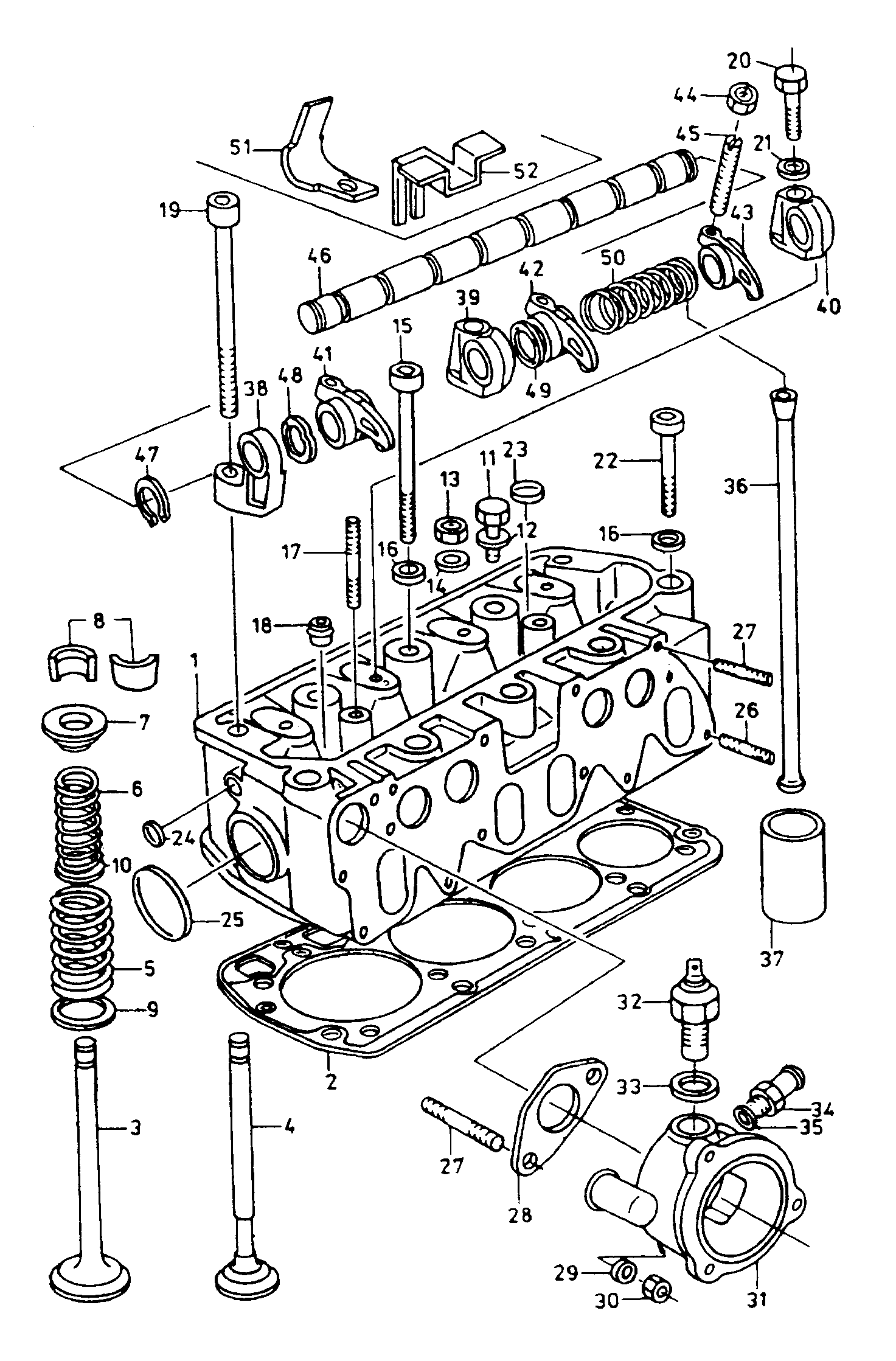
Cylinder head 04.87 - 12.89
-
04 71 03063H
Cylinder head with valves
(135)
x1
04 71 03063H
1
04 71 03353L
Cylinder head
(135,136)
x1
04 71 03353L
04****63H
2
04 71 03383D
Cylinder head gasket
(a)
x1
04 71 03383D
3
11 40 20247
Inlet valve contents of package:
(a)
x1
11 40 20247
11****249
04****601
3
04 71 09601
Inlet valve
(a)
x4
04 71 09601
3
11 40 20254
Inlet valve contents of package:
(a)
x1
11 40 20254
4
04 71 09611
Exhaust valve
(a)
x4
04 71 09611
4
11 40 20269
Exhaust valve contents of package:
(a)
x1
11 40 20269
5
04 71 09623B
Valve spring
(a)
x8
04 71 09623B
6
04 71 09633
Valve spring
(a)
x8
04 71 09633
7
04 71 09641
Spring disc
(a)
x8
04 71 09641
8
04 71 09651C
Cotter, split
(a)
x8
04 71 09651C
9
N9 08 22701
Support washer
x8
N9 08 22701
10
N9 08 22801
Underlay
(135)
x8
N9 08 22801
11
N0 10 24123
Hexagon bolt
x3
N0 10 24123
12
N0 12 0387
Spring ring
(a)
x1
N0 12 0387
13
99 24 01288
Hexagon nut
(a)
x3
99 24 01288
14
N0 11 52520
Washer
(a)
x2
N0 11 52520
15
N9 07 95701
Socket head bolt with hexagon socket head
x7
N9 07 95701
16
N9 07 95901
Washer
x8
N9 07 95901
17
97 86 06065
Threaded pin
(a)
x2
97 86 06065
18
04 71 09675A
Seal ring
(a)
x8
04 71 09675A
19
N9 07 95801
Socket head bolt with hexagon socket head
x2
N9 07 95801
20
N0 10 34516
Hexagon bolt
(a)
x4
N0 10 34516
No longer available
22
N9 07 95601
Socket head bolt with hexagon socket head
x1
N9 07 95601
23
N9 08 02601
Cap closure
(a)
x3
N9 08 02601
24
N0 11 9182
End cap
x1
N0 11 9182
25
N9 08 02701
Bungs
(a)
x2
N9 08 02701
26
N9 08 00301
Threaded pin
x6
N9 08 00301
27
97 86 08025
Threaded pin
(a)
x8
97 86 08025
28
11 00 95852
Seal
(a)
x1
11 00 95852
30
N0 11 00840
Hexagon nut
x2
N0 11 00840
31
11 40 52010
Pipe union
(a)
x1
11 40 52010
No longer available
33
93 38 81420
Seal ring
(a)
x1
93 38 81420
34
11 40 54110
Connection piece
(a)
x1
11 40 54110
No longer available
36
04 71 09317D
Pushrod
(a)
x8
04 71 09317D
37
04 71 09311
Tappets
(a)
x8
04 71 09311
37
11 40 20481
Tappets oversize
(a)
x8
11 40 20481
38
04 71 09523A
Bearing piece
x2
04 71 09523A
40
04 71 09525A
Bearing piece
x2
04 71 09525A
41
04 71 09443A
Rocker arm
x4
04 71 09443A
42
04 71 09443
Rocker arm
x3
04 71 09443
43
04 71 09443B
Rocker arm
x3
04 71 09443B
44
N9 07 95301
Hexagon nut
(a)
x8
N9 07 95301
45
N9 08 11801
Adjusting screw
(a)
x8
N9 08 11801
46
04 71 09402
Valve lever shaft
x1
04 71 09402
47
N0 12 4144
Securing ring
(a)
x2
N0 12 4144
47
N0 12 4141
Securing ring
(a)
x2
N0 12 4141
48
04 71 09497
Spring ring
x2
04 71 09497
49
N9 08 01601
Fitted washer
x2
N9 08 01601
50
04 71 09434
Spring for valve lever
x3
04 71 09434
No longer available
52
04 71 09271
Retaining plate
x1
04 71 09271