Original Catalogs
Accumulators
Disks
Tires
Autochemistry
Oils
Accessories
Car light
Aftermarket
Maintenance parts
7zap
/
Catalog Skoda
/
Skoda Sk.105/20/30/35/36/garde Parts catalog
/
Cylinder head 08.84 - 12.89
/
7zap
/
Skoda
/
...
/
Cylinder head 08.84 - 12.89
/
Cylinder head 08.84 - 12.89 - Skoda Sk.105/20/30/35/36/garde (Europe)
Brand:
Skoda
Model:
Sk.105/20/30/35/36/garde
Years:
1976 - 1989
Region:
Europe
Skoda
Sk.105/20/30/35/36/garde
1976 - 1989
Europe
Cylinder head 08.84 - 12.89
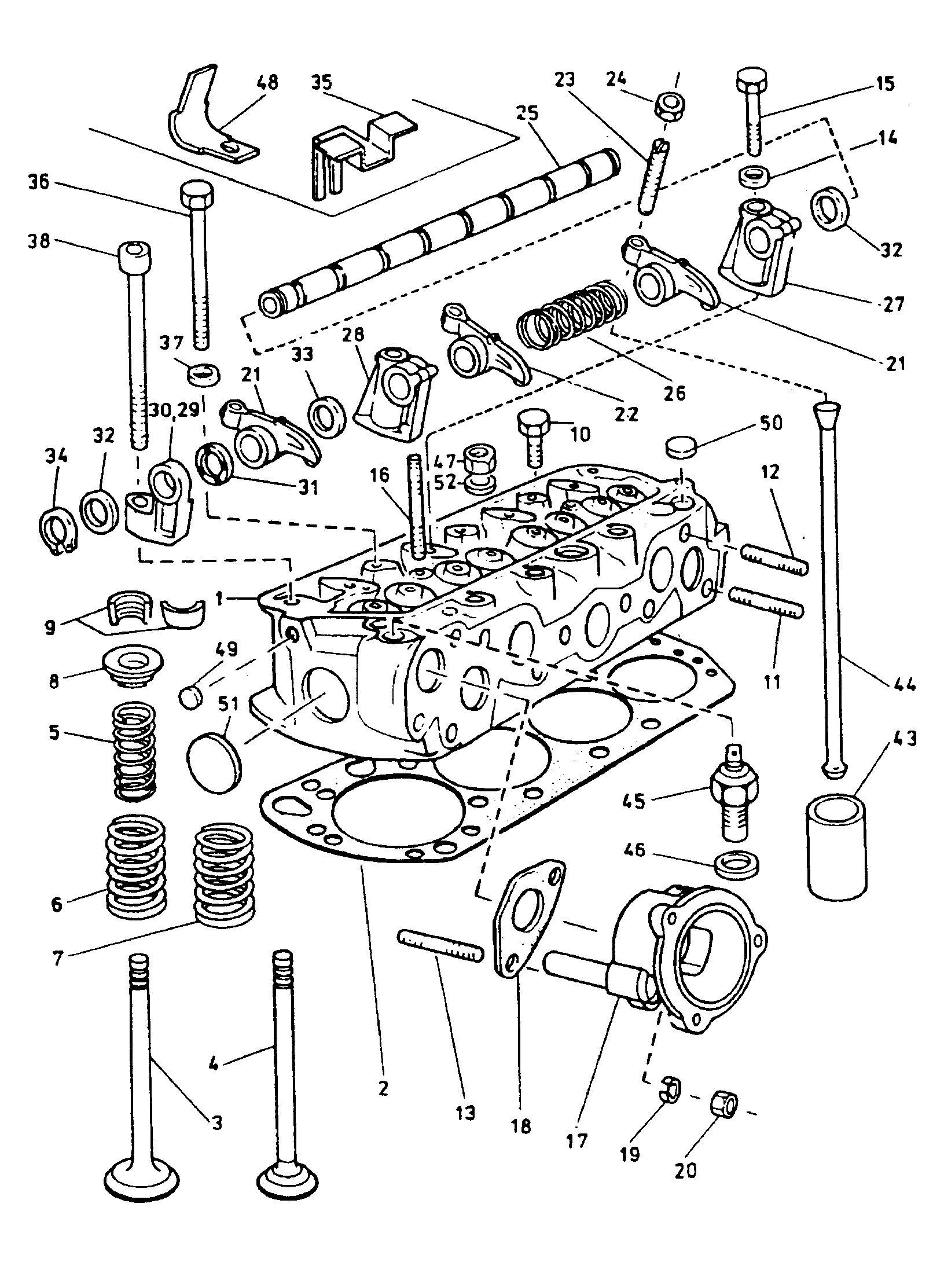
1
11 40 20021
Cylinder head
(a)
x1
11 40 20021
2
00 54 07442
Cylinder head gasket (asbestos free)
(a)
xW
00 54 07442
3
11 40 20251
Suction valve 08.84 - 07.86 contents of package:
(a)
x1
11 40 20251
3
11 40 20242
Inlet valve 08.84 - 07.86 contents of package:
(a)
x1
11 40 20242
3
11 40 20245
Inlet valve 08.86 - 12.89 contents of package:
(a)
x1
11 40 20245
4
11 40 20267
Exhaust valve contents of package:
(a)
x1
11 40 20267
4
11 40 20268
Exhaust valve contents of package:
(a)
x1
11 40 20268
5
04 71 09633
Valve spring
(a)
x8
04 71 09633
6
04 71 09623B
Valve spring
(a)
x8
04 71 09623B
8
11 30 28580
Spring disc
(a)
x8
11 30 28580
9
10 90 28230
Cotter, split
(a)
x8
10 90 28230
10
97 12 88018
Fitted bolt, hexagon head
(a)
x1
97 12 88018
11
11 00 59110
Threaded pin
(a)
x6
11 00 59110
12
11 00 59111
Threaded pin
(a)
x2
11 00 59111
13
97 82 08025
Threaded pin
(a)
x2
97 82 08025
No longer available
15
97 04 08058
Hexagon bolt
(a)
x4
97 04 08058
16
97 82 06085
Threaded pin
(a)
x2
97 82 06085
17
11 30 52010
Thermostat housing
(a)
x1
11 30 52010
18
11 00 95852
Seal
(a)
x1
11 00 95852
19
N0 12 0387
Spring ring
(a)
x4
N0 12 0387
20
N0 11 00840
Hexagon nut
x2
N0 11 00840
21
11 30 20400
Rocker arm
(a)
x4
11 30 20400
22
11 30 20401
Rocker arm
(a)
x4
11 30 20401
23
N9 08 11801
Adjusting screw
(a)
x8
N9 08 11801
24
N9 07 95301
Hexagon nut
(a)
x8
N9 07 95301
25
11 30 26083
Valve lever shaft
(a)
x1
11 30 26083
26
04 71 09434
Spring for valve lever
x2
04 71 09434
27
11 00 20440
Bracket
(a)
x3
11 00 20440
28
11 00 20430
Bracket
(a)
x1
11 00 20430
29
11 20 20431
Bracket
(a)
x1
11 20 20431
30
11 20 20430
Bracket
(a)
x1
11 20 20430
31
04 71 09497
Spring ring
x2
04 71 09497
33
11 20 29660
Compensation washer
(a)
x4
11 20 29660
34
N0 12 4144
Securing ring
(a)
x2
N0 12 4144
34
N0 12 4141
Securing ring
(a)
x2
N0 12 4141
35
11 30 29730
Retaining plate
(a)
x1
11 30 29730
36
11 00 29010
Hexagon bolt 08.84 - 12.86
(a)
x9
11 00 29010
36
11 40 29013
Hexagon bolt 01.87 - 12.89
(a)
x9
11 40 29013
37
11 00 09650
Washer 08.84 - 10.85
(a)
x5
11 00 09650
38
97 48 10720
Socket head bolt with hexagon socket head
(a)
x2
97 48 10720
43
04 71 09311
Tappets
(a)
x8
04 71 09311
43
11 00 20482
Tappets
(a)
x8
11 00 20482
44
04 71 09317D
Pushrod
(a)
x8
04 71 09317D
No longer available
46
93 38 81420
Seal ring
(a)
x1
93 38 81420
No longer available
49
N9 07 96301
Bungs
(a)
x1
N9 07 96301
50
99 13 99022
Bungs
(a)
x5
99 13 99022
51
99 13 99035
Bungs
(a)
x2
99 13 99035
52
N0 11 52520
Washer
(a)
x2
N0 11 52520